模擬量輸入隔離器的品種比較多,從輸入通道數來分有單路和雙路,以及一路輸入、二路輸出信號分配功能的品種。供電方式來分又有:回路供電型和獨立供電型。
回路供電型
回路供電型信號隔離器俗稱無源信號隔離器,其輸入輸出均為二線,接線十分方便,它把DCS、PLC或顯示表提供電源經隔離給二線制變送器配電,同時,二線制變送器產生4-20mA信號隔離輸入到DCS、PLC或顯示表。它特別適合于現場為二線制變送器,需要隔離輸入到DCS、PLC系統或顯示儀表,而輸入設備的輸入卡具有內部供電功能的場合,如下圖。

選用無源信號隔離器注意事項:
1、無源信號隔離器相當于一個負載,經過隔離器在隔離兩端之間有一個不大于6V的壓降,因此它給二線制變送器配電工作電壓會降低,一般要求變送器12V供電能工作。
例:供電24V,RL=250Ω,當20mA時,供給二線制變送器配電電壓UO≈24V-0.02×RL-6≥13V,這樣一般要求二線制變送器要在12V電壓正常工作。
2、無源信號隔離器傳輸精度0.1%F.S,選用時要特別注意。
獨立供電型
這是最為常用的配二線制變送器的信號隔離器YR9034A,它需要對隔離器獨立供電,如下圖。其特點是:
1、信號隔離器傳輸精度高,達到0.1% F.S.。
2、信號隔離器YR9034A接線方式靈活,可以接二線制變送器、三線制變送器或電流源信號,使用靈活方便。

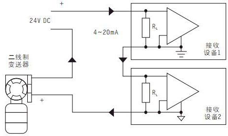
一進二出信號分配隔離器
在應用中,我們還會經常遇到將一個變送器信號接入兩個或兩個以上接收裝置的情況,若采用串聯環路,則環路中任一處開路都會造成整個環路上的儀表無信號,而且負載電阻之和很容易超過變送器的負載能力 還必須保證兩個負載信號之間參考點不一樣,如圖3。

因此一般不采用這種方法,通常采用的方法是:在環路中串接一個電阻, 再將負載并聯在電阻上取電壓信號,如串聯一個250Ω電阻將4-20mA電流信號轉換成1-5V電壓信號。這種方式雖然能避免開路及負載能力等問題,但卻存在以下不足:
1、通過串聯電阻取電壓信號方法是以假定接收設備的輸入阻抗無窮大為前提的,所以接收設備的輸入阻抗必然對信號的測量產生誤差,而且,并聯設備數目越多,誤差越大。
2、導線越長,線阻的電壓降越大,對實際電壓信號的影響也越大,因此,信號傳輸距離不能太長。
3、由于RFI/EMI的信號容易與電壓信號疊加,所以該連接易受無線射頻/電磁干擾。

解決以上問題的最理想方案是使用信號隔離器YR9034A(這種信號隔離器同時具備配電隔離器和信號分配器的功能)。把一路輸入轉換成隔離二路輸出,精度高、隔離能力強。
1、通過信號隔離器YR9034A輸出的兩路信號既可相同也可不同,變送器和各個接收設備間完全隔離。
2、任一接收設備出現的故障不會影響整個環路及另一個接收設備。
