在某些情況下,必須考慮幾個過程變量。一個過程變量是主過程變量,但其他過程變量也必須保持在給定的范圍內。可以使用信號選擇器來實現這一點。這個想法是使用幾個PID控制器和一個信號選擇器來選擇最合適的PID控制器輸出。例如:主過程變量是溫度,出于安全原因,我們必須確保壓力不超過一定的范圍。
約束控制、自由度處理一直是多變量模型預測控制的強項。其實使用PID組成的復雜控制策略也可以實現約束控制。超馳控制是進行PID約束控制以優化過程操作并防止異常操作條件的主要方法之一。
在生產中,除了正常控制外,還必須考慮在異常狀態下實現安全生產,即當生產操作達到安全極限時,必須采取保護措施。超馳控制系統可以實現這種控制,即將工藝生產過程中的限制條件所構成的邏輯關系,疊加到正常控制系統中去,當生產操作趨向限制條件時,由自動選擇器將處于熱備用狀態的控制不安全情況下的PID控制器投入運行,取代正常工作的PID控制器,這就是超馳控制系統,它是一種軟保護系統。
超馳控制系統中,只有一個最終控制元件,但是有兩個過程變量。其中一個常規的過程變量要求一直維持在其設定值,另一個約束過程變量要求維持在一定的操作范圍以確保安全。超馳控制策略在配置中使用兩個或多個PID控制器,該配置允許一個PID控制器采取行動來維持或控制一個過程變量(主控制器),而另一個PID控制器監視另一個過程變量(約束變量),如果超出約束,則通過信號選擇器選中輸出。輸出跟蹤和積分跟蹤模式的使用可以保證過渡過程無擾切換。
超馳保護控制回路應設置得比較積極,以便于異常發生時控制策略及時切換,同時超馳保護控制回路長期達不到切換條件要防止積分飽和,這是進行超馳保護控制回路組態和整定時要注意的主要問題。如果兩個超馳保護控制回路采用增量型或速度型算法,每次計算出應調整的增量值,也可以解決積分飽和問題。
超馳保護控制不能替代安全儀表系統,但是提供了一種在不聯鎖停車的前提下保證裝置安全運行的保護機制,可以實現裝置安全前提下盡可能保持裝置運行的目的,是一種容易被忽略的有效控制策略。
在什么情況下才需要超馳控制呢?應按如下步驟進行判斷。
第一,超馳控制是針對多種不同工況的沖突而做出的一種解決方案。所謂不同工況,指的是對不同目標的控制需求。比如,鍋爐蒸汽壓力控制,正常情況下,應該是鍋爐蒸汽壓力使用燃料氣流量作為控制手段,不管是串級還是直接控制流量調節閥,其核心都是通過調整燃料氣的流量實現對鍋爐蒸汽壓力的控制,這是一個工況。而燃料氣流量的變化(或者閥門開度)同時會影響到燃料氣的壓力,這是另一個工況。當燃料氣壓力較高的時候,燃料氣流量的變化基本完全由調節閥決定,而壓力過低時,會導致調節閥全開,流量也無法滿足要求。而這時閥門全開會導致壓力進一步下降,可能引發安全事故。于是,壓力過低就會引發兩種工況的沖突。
第二,多種工況只有一種調節手段,也就是說:整體缺少一個控制自由度。前面說到的,鍋爐蒸汽壓力與燃料氣壓力都只使用燃料氣流量這一個控制手段,所以當二者沖突的時候,就需要做出選擇:優先控制哪一個?所以,自由度缺失是超馳控制的一個必要條件。
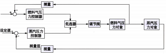
第三,多種工況沖突時,有明確的最終目標和執行的順序。比如,壓力過低時,從安全角度考慮必須保證壓力,同時由于此時再開大燃料氣閥門也無法滿足溫度的需求,所以,很明確:保壓力,放棄對溫度的控制。多種工況的分析都要明確這一點:在每一種情況下,控制的高優先級目標是哪一個。本例中,可以描述為:燃料氣壓力足夠高的時候,控制目標是鍋爐蒸汽壓力;燃料氣壓力低于某個限值的時候,控制目標是燃料氣壓力。單一情況下只有單一目標,這是實現超馳控制的充分條件。蒸汽壓力與燃料氣壓力的超馳控制系統如圖1所示。

圖1 蒸汽壓力與燃料氣壓力的超馳控制系統
實際工作中,很多控制方案用串級控制替代超馳控制,這兩種控制策略應根據目的不同合理選擇。圖2和圖3的兩個例子都應該選擇超馳控制而不是串級控制。
在圖2中,正常操作時,緩沖罐液位高于最低液位,由流量控制回路操作調節閥。如果液位低于最低液位,則離心泵存在氣蝕的設備風險,此時液位控制生效,防止設備損傷。如果設計成液位和流量的串級控制,則不能完全發揮緩沖罐的緩沖作用,液位控制會在還沒有氣蝕風險的情況下更多操作流量,造成流量的更大幅度波動。

圖2 流量控制兼顧緩沖罐液位
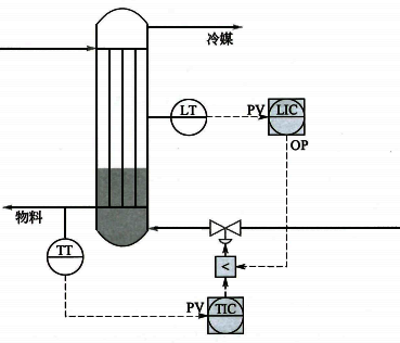
在圖3中,如果冷凝器液位不高于液位控制設定值,則溫度控制生效。如果冷凝器液位超過液位控制設定值,則存在冷媒壓縮機帶液的設備風險,此時液位控制生效防止壓縮機損壞。也有的現場采用出口溫度串級冷凝器液位的方案,因為出口溫度和冷媒的流量相關和冷凝器液位沒有直接聯系,當冷凝器液位降低時氣化的冷量增加,此時出口溫度會降低,冷凝器液位控制因為液位降低會增加冷媒調節閥開度增加,造成氣化的冷量增加,進一步引起出口溫度降低。所以這種控制方案也不合理。

圖3 冷凝器出口溫度控制兼顧冷凝器液位
綜上所述,表1總結了超馳控制的設計準則。
表1 超馳控制設計準則
實施超馳控制的條件,
①只有一個最終控制元件和多個潛在過程變量。
②最終控制元件和每一個過程變量都有因果關系。
③存在可行操作點滿足所有穩態控制目標
相關閱讀
◆關于超馳控制的選擇和應用
