
使用DVC2020定位器防喘振閥典型氣路圖

描述:使用DVC6020定位器時整個氣路的功能在正常情況下實現精確的閥位控制,快開慢關;在緊急情況下(失氣、失電)下快速打開閥門以保護風機。
如防喘振閥典型氣路圖所示:正常情況下,兩個電磁閥帶電,對三通電磁閥,1和2通;兩通電磁閥,1和2斷開。這時經過過濾減壓后的空氣分成三路,一路經單向閥到四通,然后到氣路放大器2625、儲氣罐、多路轉換器377的F口;一路經三通電磁閥后,到多路轉換器377的SUP口,SUP口的氣壓壓縮377內部彈簧,這樣在377內部氣路中,A口和B口通,D口和E口通;另一路到定位器DVC6020的SUP口,作為DVC的氣源。當控制信號(控制系統DCS/PLC輸出到DVC6020的4-20mA信號)增大時,定位器DVC6020的A口輸出增大,B口輸出減小;增大的A口氣壓經377AB口、快排閥后作用在汽缸(1061執行機構)上腔;B口的氣壓經377DE作為氣路放大器2625的輸入信號,控制2625輸出到汽缸(1061執行機構)下腔的壓力;這時,汽缸活塞上部的壓力下部的壓力+管道風壓作用在碟版上的力,活塞往下運動,有銘牌上ACTION:PDTC可知,閥門開口度減小。反之,控制信號減小,定位器A口輸出減小,B口增大,這時由于有快排閥和氣路放大器2625的作用,活塞快速往上運動,防喘振閥實現快開。
當電磁閥失電,對三通電磁閥1和3通,兩通電磁閥1和2通;這時,377SUP口的壓力經三通電磁閥3口卸掉,377在內部彈簧的作用下,氣路發生轉換。B口和C口通。E口和F口通;儲氣罐的氣加上氣源的氣經377FE口作為氣路放大器2625的控制信號,由于這時儲氣罐的氣壓很高(等于減壓閥的出口壓力)。使2625全開,儲氣罐里的氣和氣源的氣以最大流量經2625進入汽缸下腔,上腔的氣經快排閥、兩通電磁閥快速排向大氣,閥防喘振快速打開。
當失氣時,由于有單向閥的存在,使得儲氣罐的壓縮空氣不致倒流。整個原理同失電一樣,只是使防喘振閥快開的只有儲氣罐里的壓縮空氣。
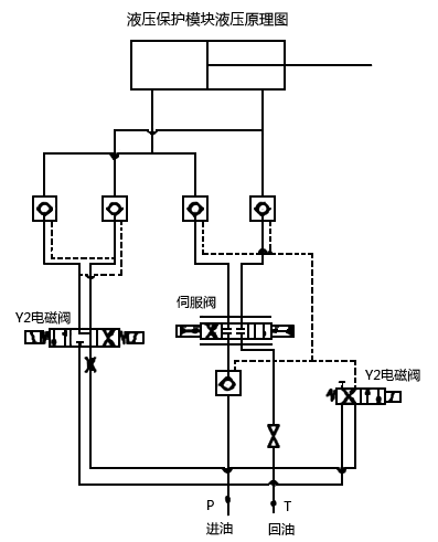
液壓保護模塊功能
液壓保護模塊采用液壓鎖緊方式控制電液伺服閥的進出油路和負載油路(詳見液壓保護模塊液壓原理圖)。

液壓保護模塊主要有以下三種功能:
1、鎖位功能
當系統處于正常狀態時,液壓鎖處于導通狀態,電液伺服控制系統隨調節器信號及負載情況及時調節靜葉角度或閥門開度。當由于非常原因(伺服控制系統中某控制原件發生故障,或其他干擾因素)使靜葉角度或閥門開度與設定值偏差較大或完全失控時,電磁閥Y1通電,使液壓鎖處于關閉狀態,切斷電源伺服閥進出口油路和負載油路,即時將靜葉或閥門就地鎖定。此時,受控對象的位置將鎖定在故障發生時的位置,使用戶可進行故障的判斷和處理。
2、點動功能
自動控制回路處于鎖定狀態時,如果靜葉角度與或閥門開度所要求的位置偏差較大,可以啟動電磁調節系統,以點動方式對靜葉角度或閥門開度進行修正。即使電磁閥Y2的兩個電磁鐵通電,控制伺服油缸左、右緩慢移動,達到指定的位置(注:這時靜葉或閥門不受伺服系統的控制),以使靜葉或閥門不會完全失控,可以繼續維持系統工作。電液伺服控制油路和電磁調節油路并聯使用。通過液壓鎖的切換,兩種工作狀態之間不會互相干擾。
3、在線更換系統其它設備
當電液伺服控制系統中某些設備(如伺服閥等)出現故障時,不需停泵即可對其進行在線更換,這樣就可以保證生產的正常進行。
相關閱讀
調節閥選用注意事項及經驗
