
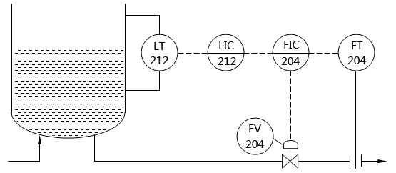
圖1 液位-流量串級均勻控制系統
[實例11-20]某液位-流量串級均勻控制系統,達不到控制指標,影響安全生產。
[故障檢查]該系統是首次投用,所以儀表人員對圖1系統進行了全面的檢查和分析,發現作為副調節器的外給定調節器FlC204的作用方式選擇為“正作用”。
[故障處理]將外給定調節器FIC204的作用方式改為“反作用”后,達到了控制指標。
[維修小結]本例中根據工藝條件使用的是氣開閥。塔內液位上升時,調節閥FV204應開大,主調節器LIC212應選“正作用”;塔底流出量增大時,調節閥應關小,因使用的是氣開閥,所以把副調節器選為“反作用”,當液位上升時,主調節器輸出增大,副調節器給定增大,相當于流量減少,故副調節器的輸出增大,調節閥開大。本例原來把副調節器的作用方式選擇為“正作用”,則當液位上升時,主調節器輸出增大,副調節器給定增大,相當于流量減少,故副調節器的輸出減少,調節閥會關小,將導致塔內液位更高,塔底流出量更少,顯然這是達不到控制指標的。
[實例11-21]某液位-流量串級均勻調節系統,投用時主回路穩定而副回路波動大,影響平穩操作。
[故障檢查]通過分析認為副回路波動是由于調節器參數整定不合適造成的。
[故障處理]重新整定調節器參數。其操作步驟如下;
①將主回路液面調節器的比例度設為150%左右,然后調整副回路(流量調節)的比例度,一般在100%-200%之間,觀察調節過程,直到得到比較好的調節過程曲線。
②將流量調節回路的比例度放在調整好的數值上,再由大到小調整液面調節回路的比例度,以取得更好的調節過程曲線。
③適當地給液面調節加入積分作用,一般在0.1-1分。觀察過程曲線,再微調主、副回路參數,以得到適合的比例度或積分時間。
[維修小結]均勻調節系統是對被調參數同時兼顧的控制系統,即被控的兩個參數(如液位與流量)是均分干擾引起的變化,兩個參數有緩慢的變化,并不是一定要液位波動多大,流量也要波動多大,在維修中一定要根據生產實際正確理解“均勻”的主次。
相關閱讀
◆最常見的八種自動控制
◆復雜控制系統故障維修實例
◆分程控制系統故障檢查及維修實例
