三端穩壓器在儀表電路中常見,昌暉儀表在本文分享三端穩壓器檢測方法,方便儀表工維修儀表過程中快速判斷三端穩壓器故障點。
1、三端穩壓器的基礎知識
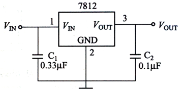
儀表電路中常用的三端穩壓器有正電源78××系列、負電源79××系列、三端可調、精密電壓基準等。其中三端穩壓器應用最廣泛,現僅對78××系列做一介紹。78××系列最大輸出電流為1.5A,其內部有限流保護、過熱保護、過壓保護,工作穩定可靠。它只有三個引腳,使用很方便。圖1是78××系列三端穩壓器的典型應用電路。

圖1 78××系列三端穩壓器的典型應用電路
比如三端穩壓器7805手冊中對其特性描述如下:
Features
◆Output current in excess of 1A
◆Internal thermal overload protection
◆No external components required
◆Output transistor safe area protection
◆Internal short circuit current limit
◆Available in the aluminum TO-3 package
Voltage Range
◆LM7805C 5V
◆LM7812C 12V
◆LM7815C 15V
儀表工在選用三端穩壓管7805時應關注這十個技術指標,每個技術指標所對應的的含義在本文不做介紹。
①輸出電壓和輸出電流
②線性調整率
③負載調整率
④靜態電流
⑤靜態電流變化量
⑥輸出噪聲電壓
⑦輸出電抗
⑧紋波抑制比
⑨短路保護電流
⑩維持輸出最小輸入電壓
2、三端穩壓器檢測方法
三端穩壓器可以采取用萬用表測量引腳間的電阻值和測量穩壓值來判斷其好壞。
①測量引腳間的電阻值
把指針式萬用表放至“R×1k”檔,將黑表筆接到穩壓器的地端,紅表筆依次接觸另外兩個引腳,測量引腳間的正向電阻,然后將紅表筆接地端,黑表筆依次接觸另外兩個引腳,測量引腳間的反向電阻。
如果測出引腳間的正向電阻值為一固定值,而反向電阻值為無窮大,則三端穩壓器正常。如果測得某兩腳之間的正、反向電阻值均很小或接近0,則可判斷該三端穩壓器內部已損壞;如果測得某兩腳之間的正、反向電阻值均為無窮大,則說明該集成穩壓器已開路損壞;如果測得的電阻值不穩定,隨溫度的變化而改變,則說明該集成穩壓器的熱穩定性能不好。
②測量輸出端的穩壓值
根據三端穩壓器輸出電壓的大小,把萬用表放至直流電壓合適的擋位,如“10V”或“50V”擋。然后在被測穩壓器的輸入端1與接地端2之間加上一個直流電壓,然后測量該穩壓器的3端的輸出電壓值。根據輸出的電壓值就可判斷該穩壓器是否正常。此法對于在線測量也是適用的,而且更容易觀察穩壓效果。測試時加至輸入端的電壓應比標稱輸出電壓高3V,但不能超過其規定的最大輸入電壓。
