有網友提問若低壓斷路器的進出線方向接反,會有什么影響?老帕(Patrick zhang)是這樣回答的:低壓斷路器的進出線方向不能接反,是因為斷路器動觸頭側、靜觸頭側的操作機構介電性能不同,斷路器動、靜出頭上的電弧弧根移動方式不同導致的。如果采用下部進線,則斷路器可能需要采取降容措施,也即實際運行電流會小于額定電流,除非斷路器對N線也有與相線一樣的保護功能,而且整定值也一致,否則相線不建議與N線對調。
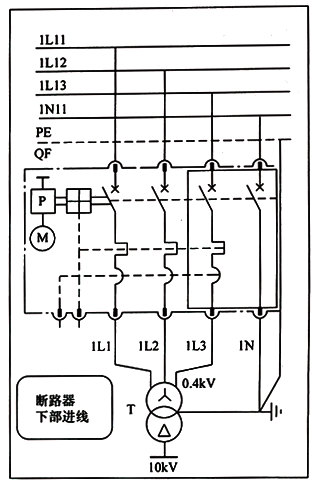
我們先看看低壓斷路器的上部進線和下部進線的示意圖:

圖1 低壓斷路器的上部進線 圖2 低壓斷路器的下部進線
圖1和圖2 虛線框內的區域就是斷路器本體。注意看斷路器,我們發現它是四極的。在QF的虛線框內,有三條相線有半圓的短路保護圖符和半矩形的過載保護圖符,表明這臺斷路器具有過載保護和短路保護功能。
圖1和圖2中,N線所在的極里,沒有任何保護,斷路器在這里充其量只不過具有隔離開關功能而已,所以這臺斷路器的接線屬于3P+N的型式。
請注意兩件事:
①進線方向建議從上往下,也即采取上部進線方式。如果采用下部進線,則斷路器可能需要采取降容措施,也即實際運行電流會小于額定電流。
②除非斷路器對N線也有與相線一樣的保護功能,而且整定值也一致,否則相線不建議與N線對調。
以下我們來看看為何低壓斷路器進線方向最好是從上往下,而不是從下往上?
這個問題關系到兩個原因:
①斷路器動觸頭側和靜觸頭側的操作機構介電性能不同
我們來看圖3。圖3是微型斷路器的實物圖。它的上側是進線端,下側是出線端。我們從圖中可以看出,出線端的機械復雜程度超過進線端。

圖3 ABB的S200低壓微型斷路器MCB的實物圖
進線側是斷路器的靜觸頭,而出線側是斷路器的動觸頭。靜觸頭的結構相對簡單,散熱條件好一些,因此靜觸頭側的介電性能也即絕緣性能優于動觸頭側。
斷路器絕緣材料的介電性能與溫升有關。電流越大,電器的溫升就越高,介電性能相對會降低。
所以,當斷路器反向進線時需要適當地降容,降容后的運行電流一般為額定電流的75%。例如斷路器的額定電流是100A,反向進線后其運行電流為75A。對于品質較好的斷路器,則無需降容。這在斷路器的說明書或者樣本材料中會有說明。
②斷路器動、靜觸頭上的電弧弧根移動方式不同
對于低壓電器的觸頭來說,一旦產生了電弧后,電弧貼近電極的部分叫做弧根。電弧在弧根處急劇收縮,并且在電極表面上形成的圓形的明亮光點,此亮點叫做弧根斑點。
對于陰極弧根來說,陰極斑點是電子的發射處,它的電流密度很大,可達104A/cm2。因此電極材料迅速汽化,形成金屬蒸汽進人弧隙,因而在陰極表面形成凹坑;對于陽極弧根來說,它是電子進入陽極的入口,面積比陰極斑點要大,電流密度較小,溫度較高,電極材料也達到沸點。
當斷路器跳閘瞬間,這時的電路是有極性的,既可能是陽極,也可能是陰極,具體極性由開斷瞬間來決定。我們來看圖4和圖5。


圖4 斷路器動、靜觸頭上電弧弧根的移動方式(靜觸頭為負極或陰極)


圖5 斷路器動、靜觸頭上電弧弧根的移動方式(靜觸頭為正極或陽極)
在圖4和圖5所示開關電器的觸頭中,上部是靜觸頭,下部是動觸頭。圖4靜觸頭為負極或者陰極,圖5表示靜觸頭為正極或者陽極。我們來看其中的電弧運動。圖4-1和圖5-1:動、靜觸頭剛剛開斷,觸頭間出現電弧;圖4-2和圖5-2:隨著觸頭間隙加大,電弧也被拉長,其中部在電場力的作用下向滅弧室方向彎曲;圖4-3和圖5-3:圖4-3中電弧弧根已經離開觸頭,向滅弧室方向運動;圖5-3中我們看到,電弧的陽極區已經離開觸頭,而陰極區卻滯留在動觸頭上;圖5-4經過一段時間后,滯留在動觸頭(陰極)上的電弧陰極區才離開觸頭,并向滅弧室方向運動。
什么原因呢?由前所述,當斷路器的觸頭打開時,電弧出現,同時極間的電阻不斷增大。電弧在兩極上形成電弧斑點。由于電弧的燒灼使得部分觸頭材料熔融氣化,形成金屬性電弧。金屬性電弧是靠金屬蒸汽的離子來支撐的,我們把它稱為金屬相電弧。
金屬相電弧的特點是:金屬相電弧的直徑較大,電弧基本上不運動;當電弧隨著觸頭開距加大而拉長后,在外磁場的作用下,周圍氣體進人電弧,使得電弧中心的溫度升高,電流向中心集中,電弧變細,電弧由金屬相電弧變為氣相電弧。這時,電弧才具有運動的可能性。
我們知道,低壓電器是有滅弧罩的,電弧要進入滅弧罩,必定會遇見各種拐角和臺階。這些拐角和臺階對于電弧的運動會產生什么影響呢?
一位很出名的學者,叫做R.Michal。他研究了電弧弧根運動的機理,得出的結論是:
①陽極電弧弧根具有跳躍通過阻擋物的能力。也就是說,陽極電弧遇見臺階和間隙能一躍而過。
②陰極電弧弧根的運動必須是連續的,它只能沿著阻擋物的表面運動。
當電弧在遇見臺階時,陰極電弧弧根要從臺階下方沿著立面攀升到臺階上方再繼續前進,而陽極電弧弧根則直接越過,于是電弧必然會出現傾斜和停滯。對于具體的斷路器來說,如果采取下部進線,則電弧弧根運動的遲滯現象就更加明顯和突出。
也就是說如果斷路器的進線方向為上進線,對應的觸頭是靜觸頭,則當觸頭打開時,不管陰極在靜觸頭還是動觸頭,電弧都能相對順利地進入滅弧室。同時,介電性能也更好;反過來,斷路器的進線方向為下進線,對應的觸頭是動觸頭,則電弧進人滅弧室的時間會比前者要遲滯,介電性能會略差。
如此說來,斷路器的上進線和下進線優劣程度,很大程度上與斷路器的制造技術相關。對于國產斷路器,最好不要采取下進線。如果一定要下進線,則必須降容。對于進口或者合資生產的斷路器,例如施耐德、西門子和ABB的斷路器,則上下進線的容量是一致的,無需降容。
