光耦合器(光電隔離器)是電子線路中隔離電壓沖擊及噪聲串擾的優選器件,具有休積小、隔離效果好、價格便宜、便于安裝等特點。昌暉儀表結合A/D轉換電路的實例,以6N137為典型芯片,詳細介紹光耦合器(光電隔離器)的性能和使用方法。

一、6N137原理及典型用法
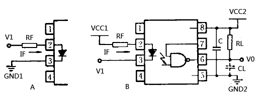
6N137的結構原理如圖1所示,信號從腳2和腳3輸入,發光二極管發光,經片內光通道傳到光敏二極管,反向偏置的光敏管光照后導通,經電流一電壓轉換后送到與門的一個輸入端,與門的另一個輸入為使能端,當使能端為高時與門輸出高電平,經輸出三極管反向后光電隔離器輸出低電平。當輸入信號電流小于觸發閡值或使能端為低時,輸出高電平,但這個邏輯高是集電極開路的,可針對接收電路加上拉電阻或電壓調整電路。

圖1 6N137結構原理圖 圖2 6N137使用方法
6N137簡單的結構原理原理如圖2A所示,若以腳2為輸入,腳3接地,則真值表如附表所列,這相當于非門的傳輸。若希望在傳輸過程中不改變邏輯狀態,則從腳3輸入,腳2接高電平。
6N137真值表
輸入 使能 輸出
H H L
L H H
H L H
L L H
隔離器使用方法如圖2B所示,假設輸入端屬于模塊Ⅰ,輸出端屬于模塊Ⅱ。輸入端有A、B兩種接法,分別得到反相或同相邏輯傳輸,其中RF限流電阻。發光二極管正向電流0-250μA ,光敏管不導通;光二極管正向壓降注12-1.7V,正向電流6.5-15mA,光敏管導通。若以B方法聯結,TTL電平輸入,VCc1為5V時,RF可選500歐姆左右。如果不加限流電阻或阻值很小,6N137仍能工作,但發光二極管導通電流很大,對VCC1有較大沖擊,尤其是數字波形較陡時,上升、下降沿的頻譜很寬,會造成相當大的尖峰脈沖噪聲,而通常印刷電路板的分布電感會使地線吸收不了這種噪聲,其峰-峰值可達100mV以上,足以使模擬電路產生自激,A/D 不能正常工作。所以在可能的情況下,RF應盡量取大。輸出端由模塊Ⅱ供電,VcC2=4.6-5.5V。VOC2(腳8)和地(腳5)之間必須接一個0.1μF高頻特性良好的電容,如瓷介質或鈕電容,而且應盡量放在腳5和腳8附近。這個電容可以吸收電源線上紋波,又可以減小光電隔離器接受端開關工作時對電源的沖擊。腳7是使能端,當它在0-0.8V時強制輸出為高(開路));當它在2.0-VCC2時允許接收端工作,見附表。腳6是集電極開路輸出端,通常加上拉電阻RL。雖然輸出低電平時可吸收電流達13mA,但仍應當根據后級輸入電路的需要選擇阻值。因為電阻太小會使6N137耗電增大,加大對電源的沖擊,使旁路電容無法吸收,而干擾整個模塊的電源,甚至把尖峰噪聲帶到地線上。一般可選4.7kΩ,若后級是TTL輸入電路,且只有1到2個負載,則用47kΩ或15kΩ也行。CL出負載的等效電容,它和RL影響器件響應時間,當RL=350Ω,CL=15pF時,響應延遲為48-75ns。注意:6N137不應使用太多,因為它的輸入電容有60pF,若過多使用會降低高速電路的性能。情況允許時,考慮把并行傳輸的數據串行化,由一個光電隔離器傳送。
二、6N137應用實例
信號采集系統通常是模擬電路和數字電路的混合體,其中模數變換是不可缺少的。從信號通路來說,A/D變換之前是模擬電路,之后是數字電路。模擬電路和AD變換電路決定了系統的信噪比,而這是評價采集系統優劣的關鍵參數。為了提高信噪比,通常要想辦法抑制系統中噪聲對模擬和AD電路的干擾。在各種噪聲當中,由數字電路產生并串入模擬及AD電路的噪聲普遍存在且較難克服。數字電平上下跳變時集成電路耗電發生突變,引起電源產生毛刺,通常對開關電源影響比線性電源大,因為開關電源在開關周期內不能響應電流突變,而僅由電容提供電流的變化部分。一般數字電路越復雜,數據速率越高,累積的電流跳變越強烈,高頻分量越豐富。而普通印刷電路的分布電感較大,使地線不能完全吸收邏輯電平跳變產生的電流高須分量,產生電壓的毛刺,而這種毛刺進入地線后就不能靠旁路電容吸收了,而且會通過共同的地線或穿過變壓器,干擾模擬電路和AD轉換器,其幅度可高達幾百毫伏,足以使AD工作不正常。
在昌暉儀表研制的某數據集系統,要求信噪比1000,12位量化級別,并行數據傳輸,數據傳輸率500kBs/。要達到上述要求,A/D能否達到轉換精度是個關鍵。在未采用光電隔離器的電路中,雖采取了一系列措施,但因各模塊間地線相聯,數字電路中尖峰噪聲影響仍較大,系統信噪比只達500。故我們采用6N137將模擬電路及AD變換器和數字電路徹底隔離,,如圖3所示。

圖3 帶光電隔離器的數據采集系統
電源部分由隔離變壓器隔離,減少電網中的噪聲影響。數字電源和模擬電源不共地,由于模擬電源一般只有±15V,而A/D轉換器還需要+5電源,為使數字電路與模擬電路真正隔離,+5電源由+15V模擬電源經DC-DC變換器得到。模擬電路以及A/D轉換電路與數字電路的信號聯系都通過6N137。逐次比較型A/D并行輸出12位數據,每一路信號經緩存器后送入6N137的腳3,進行同相邏輯傳輸至數字電路,輸入端限流電阻選用470Ω,輸出端上拉電阻選用47kQ,輸出端電源和地間(即6N137的腳8和腳5間)接0.1μF瓷片電容,作為旁路電容以減少對電源的干擾。6N137的使能端接選通信號,使6N137在數據有效時才工作,減少工作電流。模擬電路和A/D轉換所需的各路控制信號也通過6N137接收,接法同上,在時序設計中要特別注意6N137約有50ns的延時。與未采用光電隔離器的數據采集電路相比,系統信噪比提高了一倍以上,滿足了系統設計要求。
文章作者:邵暉 舒嶸
