昌暉儀表在本文對鍋爐爐膛爆炸的原因作分析,提出防止鍋爐爐膛爆炸的措施供相關運行人員參考,文章內容也提供了FSSS系統程序的理論基礎和邏輯控制關系,意在拋磚引玉。
1、鍋爐爐膛爆炸的原因
鍋爐爐膛爆炸在電廠中是一種重大惡性事故,由此引起的損失是巨大的。鍋爐爆炸是一種在極短時間內發生異常猛烈的爐內爆燃過程。爐膛爆炸包括外爆和內爆兩種。
①外爆
當爐膛壓力過高或過低,超過爐膛結構所能承受的壓力時,爐膛就產生外爆或內爆的惡性事故。在鍋爐的爐膛、煙道和通風管道中聚集了一定數量的可燃混合物,這些混合物同時被點燃成為爆燃,俗稱“打炮”,嚴重的爆燃即為爆炸。當爐膛爆炸時,如果爐膛壓力驟增,超過爐膛結構所承受的壓力,使爐膛向外坍塌,叫爐膛外爆。
在正常情況下,送入爐膛的燃料立即被點燃,燃燒后生成的煙氣也隨時排出,爐膛和煙道內沒有可燃混合物積存,因而就不會發生爆炸。但如果運行人員操作不當,設備或控制系統設計不合理,或者設備和控制系統出現故障等,就有可能發生爆炸。
從理論上分析,只有同時具備下列三個條件才有可能發生爆炸:
a、有燃料和助燃空氣的積存。
b、燃料和空氣的混合物達到了爆炸的濃度。
c、有足夠的點火能源。
上述三者必須同時存在,缺一不可。當這三個條件中有一個不存在時,就不會發生爆炸。在鍋爐工作時不可能沒有燃料和空氣的混合物,也不可能沒有點火能源,因此防止爆炸主要是設法防止可燃混合物積存在爐膛和煙道中。
②內爆
當爐膛壓力過低,其下降幅值超過爐墻結構所能承受的壓力時,爐墻就會向內坍塌,這種現象稱為爐膛內爆。
引起爐膛內爆的原因大致有以下兩個方面:
a、引風量大于送風量,造成介質質量的減少。例如,引風機產生較大負壓頭,使引風量大于送風量控制系統誤動作或運行人員操作失誤,打開運行著的引風機擋板,同時關閉送風機擋板等。
b、爐膛瞬間“火焰消失”或“滅火”,引起爐膛溫度下降。上述兩方面的原因都能造成負壓過大,當超過鍋爐結構能承受的限度時,便發生爐膛內爆。
2、防止鍋爐爐膛爆炸的措施
A、防止爐膛爆炸的原則性措施
防止可燃混合物積存,就可防止爐膛爆炸。經驗證明,大多數爐膛爆炸發生在生火和暖爐期間,在低負荷運行或在停爐熄火過程中也發生過,對于不同的運行情況要采用不同的防止方法。從原則上來看,只要做到下面幾點就可以防止爆炸:
①在總燃料與空氣混合物進口處有足夠的點火能源,點火器的火焰要穩定,具有一定的能量而且位置恰當,能把總燃料點燃。
②當有未點燃的燃料進入爐膛時,持續的時間應盡可能縮短,使積存的可燃混合物容積只占爐膛容積的極小部分。
③對于已進入爐膛的可燃混合物應盡快沖淡,使之超出可燃范圍,并不斷地把它吹掃出去。
④當送入的燃料只有部分燃燒時,應繼續沖淡,使之成為不可燃混合物。
B、生火前的吹掃(見圖)

生火暖爐期間的爐膛是冷的,這時還沒有預熱空氣,這期間要啟動的設備和進行的操作很多,很容易發生誤操作。點火器的火焰是爐膛的第一個火焰,在點燃點火器之前應保證爐膛與煙道內沒有積存的可燃混合物。因此生火的第一步工作就是用空氣吹掃爐膛與煙道,將任何積聚的燃料吹掃出去,同時還要防止燃料流入爐膛和煙道,為能達到吹掃目的,吹掃時要有一定的換氣量和一定的空氣流量,一般要求換氣量不少于爐膛容量的4倍空氣量,而空氣流量應不小于額定負荷時空氣流量的25%,以免被吹掃的燃料又沉積下來。
過去的生火吹掃操作是這樣的,首先打開各燃燒器的調風門,用額定風量的25%進行吹掃,吹掃完畢后,除了要點燃的燃燒器外,所有的調風門均關閉。這種吹掃方式的缺點是當主燃燒器送入的燃料未能點燃時,可能積存在爐膛中。近來改用所謂“調風門開啟”的點火方式,在吹掃時所有燃燒器的調風門打開,保持不少于25%的空氣流量,在點火暖爐期間所有調風門仍開啟,仍保持25%的空氣流量,工作中燃燒器的空氣流量至少為理論空氣量,暖爐期間的燃料一般不超過額定燃料量的10%,而空氣量則不小于25%,即使送入的燃料未被點燃,也將被沖淡成為不可燃的混合物,因而避免爆炸。
點火暖爐期間所用的燃燒器的數目應盡可能少些,每只燃燒器的燃燒率不應太低,這樣使火焰穩定,操作簡化,也可減少誤操作,但為了使爐膛均勻加熱,也應有足夠的燃燒器在工作,使整個爐膛截而能充滿火焰。點火時最危險的情況是點火器已點著,但能量過小,不足以把主燃燒器點燃,這時火焰檢測器認為是有火焰的(點火器火焰),而實際上主燃燒器并未點燃。一個能量不大的點火器也可能點燃主燃燒器,但點火遲延時間過長,在這期間送入的燃料未點燃而積存在爐膛中,待主燃燒器點燃后又會把積存的燃料一起點燃,產生爆炸。可見點火器的能量和位置應特別注意,盡可能縮短主燃燒器的點火時間。一般認為如在10s內未能點燃就應切斷燃料,重新吹掃,然后再重新點火。
燃燒煤粉的鍋爐,點火初期常有壓力跳動,這種壓力跳動實際上是小能量的爆炸。實測發現,爐膛壓力跳動同送入磨煤機的煤量有關,增大磨煤機的給煤量將使爐膛點火時的放熱量增大,短時間內爐膛壓力升高,增大磨煤機的空氣量將使爐膛介質的質量增多,也會有短時間的壓力升高,因此為了點火工況穩定,避免爐膛壓力跳動,最初送入主燃燒器的燃料量和空氣量應由小逐漸變大,這在燃燒氣體和液體燃料時是很容易做到的,但對于燃燒煤粉的鍋爐,由于氣粉混合物的流量過低,會引起煤粉在煤粉管道中積存,為防止煤粉積存,增加空氣量又會使煤粉濃度太低,影響著火,因此點火初期,要求在保證一定氣粉混合物濃度和流量的情況下,緩慢地進行操作,使給煤量和送風量由小逐漸增大。
C、滅火保護
不論在什么情況下,如果燃燒器的火焰熄滅,就應立即切端燃料,否則進入的燃料將積存在爐膛中,時間越長,進入的燃料就越多,可能形成嚴重的爆炸。任一燃燒器的火焰熄滅,就應立即切斷該燃燒器的燃料,如全部火焰熄滅,應立即切斷全部燃料。此外,還應看到在火焰熄滅后只考慮切斷燃料還是不夠的,因為還有其他無法控制的因素使燃料繼續進入爐膛。例如,在燃料閥門與燃燒器之間有一段管段,燃料切斷后管道中積存的燃料仍繼續進入爐膛。再如,燃料閥門關閉后仍漏入燃料。另外,如果火焰的熄滅是由于空氣不足引起的,則切斷燃料后空氣仍將繼續流入,有可能使積存的燃料成為可燃混合物,因此在設計時應使燃料閥與燃燒器之間的管道盡可能短些,但對于直吹式磨煤系統,管道和磨煤機內存煤的數量是相當大的,一般采用在切斷燃料的同時,進行爐膛吹掃。
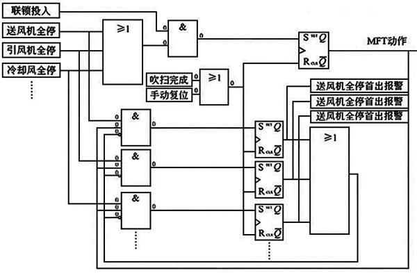
主燃料跳閘MFT(Main Fuel Trip)是鍋爐安全保護的核心內容。MFT是一系列邏輯判斷的結果,這個結果最終會引起停爐,因此是個很重要的保護邏輯。錯誤的MFT會造成經濟損失,破壞電網的穩定運行,正確快速的MFT會保障設備及人員的安全。
引起MFT的條件有以下幾個方面:全爐膛火焰喪失、爐膛壓力過高、爐膛壓力過低,汽包水位過高、汽包水位過低、全部送風機失去、全部引風機失去、全部循環泵跳閘、全部給水泵跳閘、失去所有燃料、手動停爐。以上條件會根據生產鍋爐的廠家不同,或者鍋爐在系統中的不同作用而產生一些差異,總之,由于某些設備的故障,危及鍋爐的整體運行就必須產生MFT信號,但是有一個問題需要明確,所有MFT條件都應該配有“聯鎖開關”,只有在“聯鎖開關”"投入的情況下,該條件的發生才會引起MFT動作,這樣做是為了增加系統運行的靈活性。當然了,這些聯鎖的投入不應該是隨意的,應該有專門的記錄和批準,這些是管理方面的工作,可以由系統軟件協助完成。
MFT動作以后,立刻傳到各個子系統,實現鍋爐和機組的全面跳閘,主要有以下一些系統:
①制粉系統,停止給煤機或者給粉機是必須的,因為繼續送燃料會造成爆炸或者加速條件的惡化。
②燃油系統,這個也是必須的,不能再往爐膛里面噴油了。
③二次風系統,風系統會減小故障的惡化,因此要加大風量的供應,開大擋風板。
④汽輪機系統,信號送至汽輪機系統,以便及時關閉進汽門,防止不符合要求的蒸汽進入汽輪機,造成更大的事故。
由于某種原因產生MFT后,瞬間很多設備發生動作,這樣給我們査找事故原因帶來了麻煩,也就是我們需要找出到底誰是第一個動作的,誰是引起MFT的原因,這就是首出記憶功能。簡單邏輯框圖如圖所示。

D、燃油泄漏試驗
在鍋爐點火之前必須進行燃油泄漏試驗。燃油泄漏試驗的目的是檢查油閥及出口管路有無泄漏現象,防止油系統停運時燃油泄漏到爐膛引起點火時爆燃。
相關閱讀
爐膛負壓變化原因分析
鍋爐FSSS設計遵循的規范
鍋爐爐膛負壓壓力保護和控制的優化
用微差壓變送器測量爐膛負壓,如何選用爐膛負壓變送器
