SWP-ST61WT特點
1、多種溫度傳感器選擇,性能穩定
2、抗50/60Hz工頻干擾設計,適合工業現場
3、進口超低功耗微處理器,自動補償,響應速度快
4、多達7條溫度曲線,大幅度改善溫度特性
5、非易失性存儲器,具備掉電存儲和數據恢復
6、具有自診斷和故障報警輸出功能
7、LCD同時顯示多個監測變量,單位可選
8、可通過無線通訊進行參數設定和功能組態
9、可通過按鍵就地進行參數設定和功能組態
10、量程、零點、阻尼現場連續可調
11、帶RTC時鐘,及無線對時功能(客戶可定制)
12、帶測量記錄存儲功能,支持一次無線通訊傳輸多組測量數據

SWP-ST61WT技術指標
傳感器類型:支持多種Cu50、Pt100
工作條件:環境濕度0%-95%RH(無冷凝、無結露);環境溫度-40~85℃(液晶-20~70℃)
輸出信號:無線通訊(標準 Modbus RTU協議)
無線工作頻段:433MHz,支持ISM頻段,2.4GHz
抗震性能:10g(20-2000Hz)
SWP-ST61WT低功耗無線溫度變送器通訊距離:小于100米(晴朗空曠,無線增益14dBm)
過載能力:≥200%FS
供電電源:一次性鋰電池,3.6V,容量:19×2Ah
穩定性能:±0.1%FS/年,±0.25%FS/3年
電池工作時間:≥1年(典型應用:RF433無線通訊收發1次,報文<96字節)
整體重量:≈1000g
電磁兼容:符合EN61326-1:2006
精度等級:0.1%FS或0.25%FS
防護等級:IP65(電氣連接應配合完整后達到)
顯示范圍:5位數值LCD顯示-99999~99999
SWP-ST61WT面板布局
SWP-ST61WT低功耗無線溫度變送器顯示面板有三個按鍵S、Z、M和LCD顯示窗口。

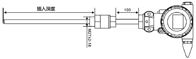
SWP-ST61WT低功耗無線溫度變送器外形尺寸

SWP-ST61WT低功耗溫度變送器型譜
SWP-ST61①-②-③-④-⑤-⑥-⑦
①產品類型
[WT]:無線低功耗溫度變送器
②測量范圍 量程調節范圍
[08]:Cu50/-50~150.0℃
[09]:Pt100/-199~850℃
[10]:Pt100.1/-199.9~320.0℃
[T]:特殊定制
③無線通訊方式(不選擇不填)
[省略]:電池自供電,不帶無線數據傳輸功能
[F]:433MHz(通訊距離: <100米,晴朗空曠,無線增益14dBm)
[N]:NB_IoT
[L]:LoRa (通訊距離: <100米,晴朗空曠,無線增益14dBm)
[W]:4G
④過程連接方式、材料
[R]:外螺紋 G1/2,不銹鋼1Gr18Ni9Ti
[G]:外螺紋 M20×1.5,不銹鋼1Gr18Ni9Ti
[M]:外螺紋 M27×2(常用),不銹鋼1Gr18Ni9Ti
[T]:特殊定制
⑤顯示表頭(不選擇不填)
[M2]:LCD顯示
⑥精度等級
[2]:0.25%
[5]:0.5%
⑦溫度傳感器插入深度
[L1]:見外形結構圖,填上具體的數值,單位:mm
選型舉例
