HiaGuard安全儀表系統采用帶診斷的三取二架構(2oo3D),適用于包括緊急停車系統(Emergency Shutdown System,簡稱ESD)、火氣檢測系統(Fire Gas System,簡稱FGS)、燃燒爐管理系統(Burner Management System,簡稱BMS)、緊急跳閘系統(Emergency Trip System,簡稱ETS)、過程停車系統(Process Shutdown System,簡稱PSD)以及關鍵過程控制(Process Control)等應用。
HiaGuard安全儀表系統組成和結構

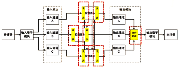
HiaGuard安全儀表系統安全回路的數據流

◆現場傳感器信號通過輸入端子模塊將信號分配到三重化的輸入通道;

◆每系輸入通道通過I/O Bus將本系輸入數據發送給本系控制器;
◆三系控制器通過CPU Bus交換輸入數據,每系控制器得到三份輸入數據;
◆每系控制器表決三份輸入數據,用表決結果運行用戶組態邏輯,得到本系輸出數據;
◆三系控制器通過CPU Bus交換輸出數據,每系控制器得到三份輸出數據;
◆每系控制器表決三份輸出數據,得到表決后的輸出數據;
◆每系控制器通過I/O Bus發送輸出數據到本系的輸出通道;
◆每系輸出通道通過2oo3硬件表決電路得到輸出到輸出端子模塊的信號;
◆輸出信號通過輸出端子模塊輸出到現場執行器。
HiaGuard安全儀表系統特點
①作為保護系統,適用于低操作模式,要求時的平均危險失效概率(PFDavg)可低至整個安全回路的10%以下,便于安全回路其他部件的選擇;
②通訊模塊支持冗余配置,可以提高系統可用性;同時通訊模塊可以阻止外部網絡風暴和病毒對安全回路的影響。通訊模塊失效,安全回路的安全性不受影響;
③控制器采用TMR架構,三系控制器在物理上相互獨立,最大限度減少共因失效;
④單I/O模塊可達到SIL3,為了實現更高的可用性,I/O模塊允許冗余配置;
⑤機籠供電采用1+1冗余方式,冗余在每個模塊內部實現,減少了共因環節,提高了安全性與可用性;
⑥安全回路可用率可達到99.999%;
⑦控制站內及控制站間的SOE精度可達到1ms;
⑧單控制站最大規模支持1184數字量點或592模擬量點;
⑨組態軟件符合IEC 61508-2010中對T3工具要求,組態語言支持FBD和LD;
⑩可以與HollySys基本過程控制系統以太網層面實現無縫集成,共用HMI界面;支持通過Modbus與第三方的基本過程控制系統實現集成。
