十六路閃光報警器YR-X810可與各種顯示控制儀或其他接點式控制檢測儀表配套使用,進行聲光報警。同時檢測十六路輸入信號,十六路信號均采用大規模、高亮度數碼管分別顯示各通道的當前工作狀態。

十六路閃光報警儀特點
1、YR-X810十六路閃光報警器的輸入信號可選擇接點式開路報警、接點式閉路報警或TTL電平。
2、YR-X810十六路閃光報警器具有多種報警控制輸出方式,自由選擇閃光報警、聲音報警、繼電器報警觸點控制輸出。
3、十六路閃光報警器內部設有蜂鳴器、試驗按鈕、消音按鈕,并留有可外接音響報警器的接口(無緣觸電信號)和外部試驗、消音按鈕接口。
4、儀表采用卡入式結構設計,與國產XXS系列閃光報警器兼容,便于安裝、維修和調換。
5、按國際標準程序進行設計,儀表可帶記憶功能。
6、十六路閃光報警器可以帶RS485通訊。
7、十六路閃光報警器共有兩排平面發光二極管,第一排為紅色,第二排為綠色。
8、儀表電路為抗強干擾設計,采用進口元器件,產品穩定性和可靠性好。
9、昌暉儀表是國內閃光報警器、聲光報警器專業生產廠,儀表質保期24個月
10、十六路閃光報警器外形尺寸:(寬×高×深)160×80×60mm
11、十六路閃光報警器安裝開孔尺寸:(寬×高)152×76mm
12、儀表重量:400g
13、十六路閃光報警器相當于兩臺八路閃光報警器集成在一臺儀表內,應用原理相同

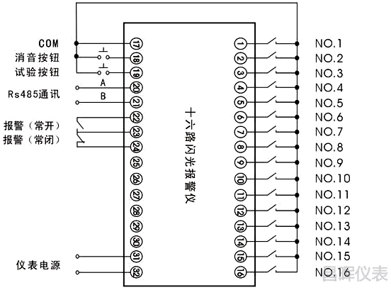
16路閃光報警器接線圖

16路閃光報警器選型表
YR-①②-③-④-⑤
①特征
[X]:閃光報警器
②控制多用
[810]:160×80mm十六路閃光報警器
③報警指示
[0N]:平面發光二極管指示+報警輸出(常規產品)
[8N]:平面發光二極管指示+報警輸出+RS485通訊(定制產品/modbus)
④輸入信號
[A]:接點式閉路報警(最常用)
[B]:接點式開路報警
[C]:標準TTL電平
[D]:特殊規格
⑤供電方式
[省略]:AC220V供電(線性電源,可省略)
[W]:DC24V供電
十六路閃光報警器型號舉例
YR-X810-0N-A
十六路閃光報警器,接點式閉路報警,AC220V供電
閃光報警儀記憶功能
1、若十六路閃光報警器選擇“記憶”功能:當新的報警信號出現,則相應顯示器閃爍,蜂鳴器間歇蜂鳴,輸出繼電器觸點閉合。若新的報警信號已解除,該狀態仍保持,直到按下消音鍵。
2、若十六路閃光報警器選擇“無記憶”功能:當新的報警信號出現,則相應顯示器閃爍,蜂鳴器間歇蜂鳴,輸出繼電器觸點閉合,當新的報警信號解除,對應的顯示器不亮,蜂鳴器停止蜂鳴,輸出繼電器觸點斷開。
